四通換向球閥為X形垂直通道的球閥,它的特點是球體的兩條通道為X形布置,四個通道口徑均布于球體赤道圓周截面上,當球體沿順時針旋轉90時,能使相對的兩個通道實現兩兩互通。
四通球閥系列可配置多種驅動裝置
四通球閥在石油、天然氣、煤炭和礦石的開采、提煉加工和管道輸送系統中;在化工產品、醫藥和食品生產種;在水電、火電和核電的電力生產系統中;在城市和工業企業的給排水、供熱、和供氣系統中;在農田的排灌系統中;在治金生產系統中得以廣泛的應用,是一種與生產建設、國防建設和人民生活息息相關的重要機械產品。球閥密閉在各類管路系統種用于截斷或接通介質流,使介質按照預定的程序輸送到各個指定點。
| 公稱壓力 PN(MPa) |
試驗壓力 | |||
|---|---|---|---|---|
| 殼體 shell |
高壓液密封 | 低壓氣密封 | ||
| 1.6 | 2.4 | 1.76 | 0.6 | |
| 2.5 | 3.75 | 2.75 | ||
| 4.0 | 6.0 | 4.4 | ||
| CLASS150 | 3.0 | 2.2 | ||
| 適用工況 | 適用介質 | 水、油品、氣等非腐蝕介質和酸堿腐蝕介質 | ||
| 適用溫度 | -28~350℃ | |||
| 應用規范 | 連接法蘭 | JB79-59、GB9113、HG20592-97、ANSI B16.5 | ||
| 檢驗試驗 | GB9/T9092-99、API598 | |||
其余制造規范均按本廠標準
| 零件名稱 | 材質 | |
|---|---|---|
| GB | ASTM | |
| 閥體、閥蓋 | WCB | A216-WCB |
| 密封圈 | PTFE、對位聚苯 | PTFE、對位聚苯 |
| 球體 | 1Cr18Ni9Ti | SS 304 |
| 閥座、閥桿 | 2Cr13 | A246-416 |
| 雙頭螺柱 | 35CrMoA | A193-B7 |

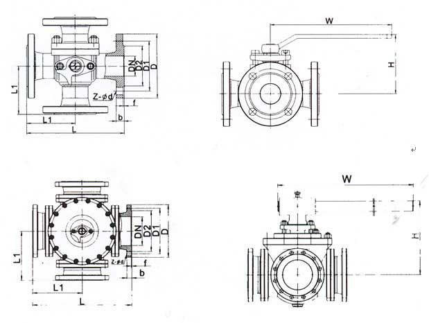
| 公稱壓力或壓力級 | 主要尺寸 | 公稱通徑DN(mm/in) | |||||||||||
|---|---|---|---|---|---|---|---|---|---|---|---|---|---|
| 15/1/2〞 | 20/3/4〞 | 25/1〞 | 32/11/4〞 | 40/11/2〞 | 50/2〞 | 65/21/2〞 | 80/3〞 | 100/4〞 | 125/5〞 | 1520/6〞 | 200/8〞 | ||
| PN1.6 MPa | L | 150 | 150 | 180 | 200 | 220 | 240 | 260 | 280 | 320 | 380 | 440 | 550 |
| PN2.5 MPa | L1 | 75 | 75 | 90 | 100 | 110 | 120 | 130 | 140 | 160 | 190 | 220 | 275 |
| PN4.0 MPa | H | 90 | 90 | 102 | 115 | 135 | 140 | 155 | 185 | 210 | 275 | 305 | 335 |
| CLASS 150 | W | 140 | 140 | 155 | 250 | 250 | 350 | 350 | 420 | 700 | 1000 | 1300 | 1800 |
![]() |
![]() |
| 法蘭連接四通球閥 | 法蘭連接四通球閥結構圖 |
![]() |
| 四通球閥外形圖 |
其余的法蘭尺寸請參閱樣本《主要外型及連接尺寸表》
主營產品:氣動調節閥 - 電動調節閥 - 自力式調節閥
版版權所有 © 上海大田閥門管道工程有限公司
地址:上海市浦東新區川宏路528號宏圖大樓5樓



